您好,欢迎进入BTE365所有网址官网!
13921705661
  • BTE365所有网址
  • BTE365所有网址
  • BTE365所有网址

液压剪扩钳

液压剪扩钳刀片形状佳、剪切性能超强。液压剪扩钳无需扭转手腕就可用星状手柄进行有效操作。液压剪扩钳张开闭合耗时极短,可节约宝贵的救援时间。BTE365所有网址厂商供应销售!
咨询热线:13921705661

产品介绍

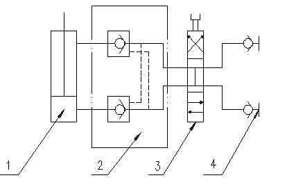
  1、液压工作原理图:

02R3%_I37)4{WO$%8([QICF.png

1:工作油缸 2:双向液压锁 3: 手动换向阀 4:快速接口

技 术 参 数:

型号:GYJK-32~100/28-15-D

开口距离360 mm

额定工作压力:720bar

剪切圆钢直径/钢板(Q235材料)28 mm圆钢/15 mm钢板

剪切能力:420KN

扩张力:32KN

总质量:15.8 KG


标签:全部
网友评论

管理员

该内容暂无评论

北美地区网友
0523-86668661